
·产品概述·
离心鼓风机是长沙鼓风机厂有限责任公司与西安交通大学合作并吸收国内外先进技术开发而成,包括多级低速离心鼓风机、单级低速离心鼓风机和单级高速离心鼓风机等产品,共3个基本系列、上百种派生机型。流量50~2000m3/min,升压10~150kPa。
● B系列单级高速离心鼓风机
流量100~1000m3/min,升压49.0~140kPa。单级叶轮,增速箱传动,滑动轴承,压力供油强制润滑,单吸入结构,适用于空气、二氧化碳、氨气、煤气及废气等介质输送。
派生机型
由上述基本系列产品,可以派生出下列多种用途离心鼓风机:
●污水处理鼓风机流量50~600m3/min升压49.0~98kPa
●脱硫氧化鼓风机流量60~800m3/min升压49.0~150kPa
●二氧化硫鼓风机流量200~2000m3/min升压26.4~53.9kPa
●造气炉鼓风机流量300~1500m3/min升压23.5~34.3kPa
●化铁炉鼓风机流量50~350m3/min升压9.8~29.4kPa
●冶炼高炉鼓风机流量100~1000m3/min升压49.0~150kPa
●煤气鼓风机流量100~1250m3/min升压19.6~53.9kPa
●浮选、洗煤鼓风机流量50~500m3/min升压19.6~68.6kPa
·产品选型·
型号说明

例如:
C300–1.7/1.0
表示在温度20℃,进口压力1.0kgf/cm2(98kPa)相对湿度50%的进气条件下,进口流量为300 m3/min,出口压力1.7kgf/cm2(升压68.6kPa)的多级离心鼓风机。
系列型谱图
由图表所示流量和压力可初步确定离心鼓风机的性能范围,然后综合其他技术条件和要求,由专业技术人员具体选型。
选型要素
● 技术条件
输送介质、进气状况、流量、升压(或排气压力),环境条件等。
● 选型计算
当介质为空气、进气状况及环境条件与规定吸入状态相符,则可根据流量、升压或排气压力在本样本中进行直接选取。
若介质、进气状况及环境条件与规定吸入状态不符(如温度或密度差异较大)应对选型参数进行核算和修正
(1) 环境温度
鼓风机设计温度为20℃。对曝气鼓风机,进气温度每升高1℃,排气压力下降0.002kgf/cm2.夏季温度为40℃时,排气压力大约下降0.04kgf/cm2。
(2) 海拔高度
鼓风机进气压力(设计值)为1.0kgf/cm2。当海拔高度较大时,应根据当地大气压对鼓风机进气流量和排气压力进行修正,以保证其正常运行。
(3) 标准流量与进气流量换算
如鼓风机在标准状态(0℃,1.033kgf/cm2)下的流量为QN,其实际进气状态(ts,Ps)下的流量为:
Qs=( ts+273)/273×1.033/ Ps×QN
ts: 进气温度,℃
Ps: 进气压力,kgf/cm2
(4) 常用压力单位的换算
9.8kPa=0.1 kgf/cm2=1000mmH2O=98mbar=0.0967atm=73.5mmHg
产品介绍·
B系列单级高速离心鼓风机
● 单级高速离心鼓风机特点
◎ 叶轮先进的空气动力学设计,整体数控铣制,效率高。
◎ 性能曲线平坦,稳定工况范围比较宽,采用进口预旋器,可使流量在50~105%范围内调节。
◎ 采用PLC及防喘振技术,机电一体化,自动化程度高,运行可靠。
◎ 转子经过严格的超速试验、高精度动平衡校正,运转可靠。
● 单级高速离心鼓风机典型数据表
产品型号 | 介质 | 进口工况 | 出口压力 | 轴功率 | 电机功率 | ||
流量 | 压力 | 温度 | |||||
B50-1.5 | 空气 | 50 | 1.0 | 20 | 1.5 | 47.1 | 55 |
B50-1.7 | 空气 | 50 | 1.0 | 20 | 1.7 | 62.6 | 75 |
B100-1.5 | 空气 | 100 | 1.0 | 20 | 1.5 | 91.3 | 110 |
B100-1.8 | 空气 | 100 | 1.0 | 20 | 1.8 | 142 | 160 |
B100-2.0 | 空气 | 100 | 1.0 | 20 | 2.0 | 179 | 200 |
B150-1.5 | 空气 | 150 | 1.0 | 20 | 1.5 | 137 | 160 |
B150-1.8 | 空气 | 150 | 1.0 | 20 | 1.8 | 213 | 250 |
B150-2.0 | 空气 | 150 | 1.0 | 20 | 2.0 | 268 | 315 |
B150-2.5 | 空气 | 150 | 1.0 | 20 | 2.5 | 358 | 400 |
B200-1.5 | 空气 | 200 | 1.0 | 20 | 1.5 | 182 | 220 |
B200-1.8 | 空气 | 200 | 1.0 | 20 | 1.8 | 285 | 315 |
B200-2.0 | 空气 | 200 | 1.0 | 20 | 2.0 | 358 | 400 |
B200-2.5 | 空气 | 200 | 1.0 | 20 | 2.5 | 471 | 560 |
B300-1.5 | 空气 | 300 | 1.0 | 20 | 1.5 | 273 | 315 |
B300-1.8 | 空气 | 300 | 1.0 | 20 | 1.8 | 427 | 500 |
B300-2.0 | 空气 | 300 | 1.0 | 20 | 2.0 | 537 | 630 |
B300-2.5 | 空气 | 300 | 1.0 | 20 | 2.5 | 700 | 800 |
B400-1.5 | 空气 | 400 | 1.0 | 20 | 1.5 | 360 | 450 |
B400-1.8 | 空气 | 400 | 1.0 | 20 | 1.8 | 563 | 630 |
B400-2.0 | 空气 | 400 | 1.0 | 20 | 2.0 | 707 | 800 |
B400-2.5 | 空气 | 400 | 1.0 | 20 | 2.5 | 940 | 1120 |
B500-1.5 | 空气 | 500 | 1.0 | 20 | 1.5 | 451 | 500 |
B500-1.8 | 空气 | 500 | 1.0 | 20 | 1.8 | 704 | 800 |
B500-2.0 | 空气 | 500 | 1.0 | 20 | 2.0 | 883 | 1000 |
B500-2.5 | 空气 | 500 | 1.0 | 20 | 2.5 | 1175 | 1400 |
B600-1.5 | 空气 | 600 | 1.0 | 20 | 1.5 | 541 | 630 |
B600-1.8 | 空气 | 600 | 1.0 | 20 | 1.8 | 844 | 1000 |
B600-2.0 | 空气 | 600 | 1.0 | 20 | 2.0 | 1060 | 1250 |
B600-2.5 | 空气 | 600 | 1.0 | 20 | 2.5 | 1396 | 1600 |
B800-1.5 | 空气 | 800 | 1.0 | 20 | 1.5 | 713 | 800 |
B800-1.8 | 空气 | 800 | 1.0 | 20 | 1.8 | 1113 | 1250 |
B800-2.0 | 空气 | 800 | 1.0 | 20 | 2.0 | 1398 | 1600 |
B800-2.5 | 空气 | 800 | 1.0 | 20 | 2.5 | 1880 | 2000 |
B1000-1.5 | 空气 | 1000 | 1.0 | 20 | 1.5 | 892 | 1000 |
B1000-1.8 | 空气 | 1000 | 1.0 | 20 | 1.8 | 1391 | 1600 |
B1000-2.0 | 空气 | 1000 | 1.0 | 20 | 2.0 | 1747 | 2000 |
B1000-2.5 | 空气 | 1000 | 1.0 | 20 | 2.5 | 2340 | 2500 |
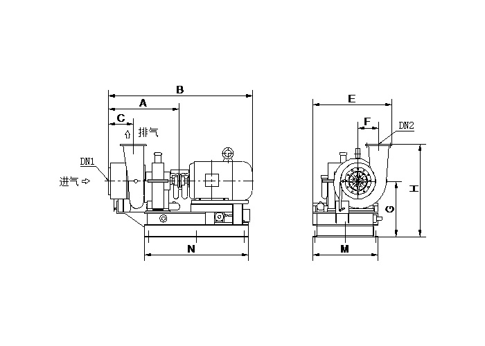
● 单级高速离心鼓风机外形尺寸
B50~600典型机组的外形尺寸图
(仅供参考,施工以合同设计图为准)

型号 | A | B | C | DN1 | DN2 | E | F | G | H | M | N |
B50-1.8 | 1050 | 2250 | 350 | 200 | 200 | 1200 | 320 | 950 | 1350 | 1000 | 2000 |
B100-1.8 | 1050 | 2450 | 350 | 300 | 250 | 1200 | 320 | 950 | 1350 | 1000 | 2000 |
B150-1.8 | 1200 | 2650 | 420 | 350 | 300 | 1400 | 385 | 1050 | 1580 | 1100 | 2300 |
B250-1.8 | 1500 | 3350 | 455 | 500 | 400 | 1600 | 555 | 1400 | 2050 | 1400 | 2800 |
B400-1.8 | 1650 | 4000 | 570 | 600 | 500 | 1850 | 685 | 1500 | 2230 | 1450 | 3200 |
B600-1.8 | 1800 | 4500 | 680 | 700 | 600 | 2000 | 810 | 1650 | 2650 | 1600 | 3500 |
● 单级高速离心鼓风机供货范围
序号 | 标准供货 | 选配供货 | ||
内容 | 数量 | 内容 | 数量 | |
1 | 鼓风机本体 | 1台 | 进口过滤消声器 | 1件 |
2 | 进口预旋器及 其电动执行器 | 1套 | 出口消声器 | 1件 |
3 | 增速箱 | 1台 | 出口软接头 | 1件 |
4 | 稀油站 | 1件 | 出口电动蝶阀 | 1件 |
5 | 驱动机 | 1套 | 放空消声器 | 1件 |
6 | PLC就地控制柜及一次仪表 | 1台 | 止回阀 | 1件 |
7 | 防喘振阀 | 1件 | ||
8 | 公用底座 | 1件 | ||
9 | 地脚螺栓、螺母、垫片 | 1套 | ||
10 | 备品备件 | 1套 | ||